Connected successfully! Best uPVC and Aluminium windows manufacturers in Coimbatore | uPVC & Aluminium bi folding, tilt and turn Doors in Coimbatore

Premium Quality

uPVC Windows and Doors Profile

Why STED® uPVC Windows Profile?

STED® uPVC Windows Profile introduces an advanced solution for modern and energy-efficient building projects. Crafted from unplasticized Polyvinyl Chloride, STED® uPVC profiles offer exceptional durability, insulation, and low maintenance, making them a preferred choice for windows and doors. These profiles are designed to withstand harsh weather conditions without warping, rusting, or fading, ensuring long-lasting performance and aesthetic appeal. With a focus on sustainability, STED® uPVC windows also provide excellent thermal insulation, reducing energy costs and contributing to a more comfortable indoor environment. Available in a variety of styles and finishes, STED® uPVC windows can be customized to fit any architectural design, enhancing both the functionality and appearance of residential and commercial spaces.

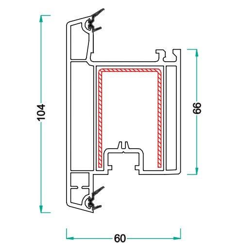
Profile Section Details

CASEMENT
SERIES

Ventilator Frame
SC60-VF-01

Window Frame
SC60-WF-01

Door Frame
SC60-DF-01

Outward Open - Window Sash
SC60-WS-01

Inward Open - Window Sash
SC60-WS-02

Outward Open - Door Sash
SC60-DS-01

Inward Open - Door Sash
SC60-DS-02

T-Mullion
SC60-AT-01

Movable Mullion
SC60-AT-02

SLIDING
SERIES

Sliding Frame
SS60-AF-01

Sliding Frame
SS60-AF-02

Sliding Frame
SS60-AF-03

Sliding - Window Sash
SS60-WS-01

Sliding - Window Sash
SS60-WS-02

Sliding - Door Sash
SS60-DS-01

Sliding - T Mullion
SS60-AT-01

Sliding - Bug Sash
SS60-BS-01

Sliding - Window Interlock
SS60-WI-01

Sliding - Door Interlock
SS60-DI-01

Sliding - Inline Adaptor
SS60-AI-01

AUXILIARY
SERIES

Small Coupler
SA60-AC-01

Small Coupler
SA60-AC-02

60mm Bay Post Adaptor
SA60-AC-03

60mm Round Post
SA60-AC-04

Door Panel
SA60-AC-05

Invisible Coupler
SA60-AC-06

GLAZING
BEADS

Casement Single Glass Square Bead
SC60-CB-01

Casement Single Glass Bead
SC60-CB-02

Sliding Single Glass Bead
SS60-AB-01

Sliding Single Glass Bead
SS60-AB-02

Casement DGU Bead
SC60-AB-01

Casement DGU Bead
SC60-AB-02

Sliding Glass Bead (DGU)
SC60-AB-03

Advantages of UPVC Windows

UPVC windows offer numerous advantages over traditional window materials. Here are some key benefits:

Energy Efficiency:

Our UPVC windows are designed to provide excellent thermal insulation, reducing heat transfer and helping you maintain a comfortable indoor temperature year-round. This can lead to energy savings and lower heating and cooling costs.

Low Maintenance:

Unlike wooden or metal windows, UPVC windows require minimal maintenance. They are resistant to rot, rust, and fading, making them a hassle-free choice for busy homeowners or businesses.

Energy Efficiency:

Our UPVC windows feature robust locking mechanisms and toughened glass, providing an extra layer of security for your property. You can have peace of mind knowing that your windows are helping to protect your loved ones and possessions.

Noise Reduction:

UPVC windows have excellent sound insulation properties, reducing external noise levels and creating a peaceful and quiet living or working environment.

Product Range

We offer a wide range of UPVC windows to suit various architectural styles and personal preferences. Our product lineup includes:

Casement Windows:

Classic and versatile, casement windows are hinged on the side and open outward, allowing for maximum ventilation and easy cleaning.

Bay and Bow Windows:

These windows add character and dimension to any property. Bay windows protrude from the wall, creating a cozy nook, while bow windows gently curve, adding elegance and a panoramic view.

Tilt and Turn Windows:

Offering excellent functionality, tilt and turn windows can be tilted inward for secure ventilation or fully opened inward for easy cleaning and access.

Custom Designs:

We also specialize in custom-made UPVC windows, allowing you to create unique designs tailored to your specific requirements.

Tab 3 content